产品中心
纳秒级光谐振开关/调制器

NS系列谐振光纤开关/调制器是一种2端口或3端口设备,具有固定频率下的快速幅度调制功能,可在10至90 MHz之间进行选择,并具有低光损耗。这是通过使用具有内置高Q谐振电路的专利电光配置来实现的。与其他调制器不同,我们使用高稳定性的特殊电光晶体,可以增加功率处理并减少漂移/暗化。NS光开关/调制器满足了连续运行25年的最苛刻的交换要求,具有非机械超高可靠性。该开关本质上是双向的,可选择与偏振无关或保偏尾纤。

品牌:Agiltron

产品特点
· 全固态
· 高速率
· 超过稳定性、重复性
· 超低插损
· 尺寸紧凑
典型应用
· 激光系统
· 可重构光学器件
· 光学仪器仪表
相关文件
产品介绍

NS系列谐振光纤开关/调制器是一种2端口或3端口设备,具有固定频率下的快速幅度调制功能,可在10至90 MHz之间进行选择,并具有低光损耗。这是通过使用具有内置高Q谐振电路的专利电光配置来实现的。与其他调制器不同,我们使用高稳定性的特殊电光晶体,可以增加功率处理并减少漂移/暗化。NS光开关/调制器满足了连续运行25年的最苛刻的交换要求,具有非机械超高可靠性。该开关本质上是双向的,可选择与偏振无关或保偏尾纤。


我们的谐振EO相位调制器可以由标准实验室函数发生器驱动,在633nm处的半波驱动电压仅为15V。


上升/下降时间与晶体的财产有内在联系,重复率与驱动器有关。由于器件谐振,存在较差的频率响应部分。NS设备出厂时安装在经过调整的驱动程序上。

产品型号及主要指标

参数

最小值

典型值

最大值

单位

插入损耗 [1]

1900-2200nm


1.3

2.2

dB

1260-1620nm


1

2

960-1100nm


1.5

2.6

780-960nm


1.7

3

串扰 [2]

10

20

35

dB

寿命

1014



cycles

PDL (SMF only)


0.15

0.3

dB

PMD (SMF only)


0.1

0.3

ps

ER (PMF only)

18

25


dB

IL温度稳定性


0.25

1.5

dB

回波损耗

45

50

60

dB

重复频率


20

90

MHz

最大光功率 [4]

标准功率版本


300


mW

高功率版本



5

W

工作温度范围

标准版

-5


75

宽温度范围

-30


85

存储温度范围

-40


100

[1] 插入损耗不含连接器。波长<850nm或>1700nm仅在交货期较长的特殊版本中提供。

[2] ±25nm,串扰在100kHz下测量,在较高的重复频率下可能会降级。

[3] 它被定义为光学强度的10%到90%之间的上升或下降时间。

[4] 定义为1310nm/1550nm。对于较短的波长,处理功率可能会降低,请联系我们了解更多信息。高功率版本可通过增加光纤纤芯(额外价格)获得。


电信号信息:

信号控制:0-15V,模拟信号,SMA接口


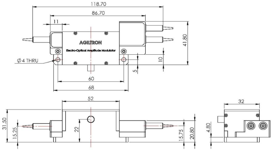
产品尺寸:


典型带宽测试:


产品订购信息


¨

¨

¨

¨ ¨

¨

¨

¨

¨

Prefix

Type

Wavelength

Power Handling[1]

Repetition Rate

Fiber Type

Fiber Cover

Fiber Length

Connector[2]

NSRM-

1x1=1

1060=1

Regular = 1

10MHz =10

SMF-28=1

Bare fiber=1

0.25m=1

None=1


1x2=2

2000=2

500mw = 2

20MHz = 20

HI1060=2

900um Tube=3

0.5m=2

FC/PC=2


2x2=3

1310=3

5W = 5

30MHz = 30

HI780=3

Special=0

1.0 m=3

FC/APC=3



1550=5


40MHz = 40

PM1550=5


Special=0

SC/PC=4



1625 =6


50MHz = 50

PM850=8



SC/APC=5



780=7


60MHz = 60

PM980=9



ST/PC=6



850=8


70MHz = 70

Special=0



LC/PC=7



650=E


80MHz = 80




LC/APC=8



Special=0


90MHz = 90




E2000 APC=9





Special = 00




Special=0

[1] :波长<850nm或>1700nm仅在交货期较长的特殊版本中提供。

[2]:  关于NPHW版本的高功率连接器,请联系销售人员。

备注: PM1550光纤适用于1310nm。


操作说明:

1.将控制信号连接到盒子上的SMA连接器。

2.然后设备应能正常工作。

注意:请勿打开盒子并更改设备出厂设置。

在线留言
导航 产品 资料 电话